-
快速溫變(濕熱)試驗箱
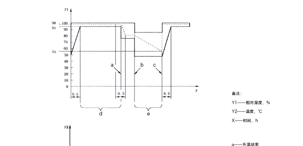
產品型號:JQ-12㎡(定制款) 品牌:劍 喬 用途:快速溫變(濕熱)試驗箱適用于各類汽車部件,電工電子產品及其它產品、零部件和材料進行高溫、低溫高低溫交變試驗等環境模擬可靠性試驗.快速溫變(濕熱)試驗箱按照標準GB/T31咨詢熱線:13829135130
- 產品介紹
- 規格參數
- 服務保障
- 聯系我們
咨詢熱線:13829135130











Copyright © 2000-2025 廣東劍喬試驗設備有限公司 版權所有地址:廣東省東莞市塘廈鎮蓮湖塘蓮七街劍喬工業園 備案號:粵ICP備13017173號-2 網站地圖

